With around 250 locations and 90 serve centers, we are represented in the most important economic regions of the world. The advantages are clear: short paths to our customers, fast response times and a shared language.
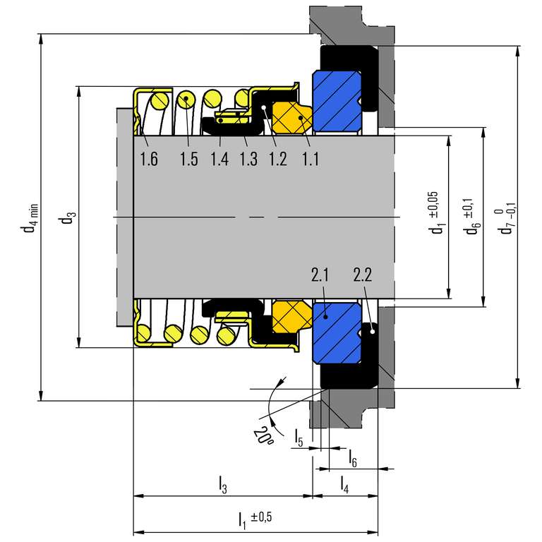
| Item. | Description |
| 1.1 | Seal face |
| 2.1 | Sationary seat |
| 1.2 | Bellows |
| 1.3 | Collar |
| 1.4 | Drive ring |
| 1.5 | Spring |
| 1.6 | Ring |
| 2.2 | Collar |
| Item. | Description |
| 1.1 | Seal face/td> |
| 2.1 | Sationary seat |
| 1.2 | Bellows |
| 1.3 | Collar |
| 1.4 | Drive ring |
| 1.5 | Spring |
| 1.6 | Ring |
| 2.2 | Collar |
| Item. | Description |
| 1.1, 1.6 | Seal face/td> |
| 2.1, 3.1 | Sationary seat |
| 1.2 | Bellow |
| 1.3 | Collar |
| 1.4 | Drive ring |
| 1.5 | Spring |
| 2.2, 3.2 | Collar |
We develop and produce customer-specific special and individual solutions for every application.
EagleBurgmann is one of the worldwide leading providers of industrial sealing technology. Mechanical seals, seal supply systems, magnetic couplings, carbon floating ring seals, expansion joints, gaskets and packings as well as comprehensive services are used wherever reliability and safety are needed.
Sealing technology by EagleBurgmann is used worldwide in oil and gas industries, refineries, the petrochemical, chemical, and pharmaceutical industries, food processing, energy, water, mining, paper, aerospace, and other industries. Close to 5,800 employees provide their ideas, solutions, and commitment so that customers can rely on our sealing technology.
What makes us stand out is our excellent quality, great innovative capacity, and an extensive product portfolio for nearly all industrial processes and fields of application. Our product portfolio includes everything from mechanical seals and seal supply systems to magnetic couplings, carbon floating ring seals, expansion joints, and gaskets and packings as well as comprehensive services. Since we are part of the German Freudenberg and Japanese EKK group, we have all the necessary resources for a firmly based reliable partnership.